AFTERMARKET SET BUCSE BRAT-CADRU / FUZETA SPATE (BUTUC) LINHAI 400 / 550 / 570

AFTERMARKET
115,00 Lei
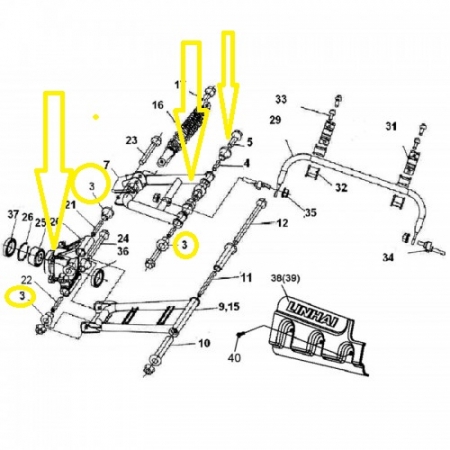
SUNT NECESARE 4 SETURI BUCSE PENTRU UN ATV !!!
BUCSELE SUNT PENTRU SPATE SE POTRIVESC PE CADRU-BASCULA / FUZETA-BRAT SPATE
Echipare:
In stoc
Limita stoc
Adauga in cos
Cod Produs: 4BUC X 70682 !!! / 70682VRM
Adauga la Favorite Cere informatii
  • Descriere
  • Review-uri (0)
Select MODEL: 500 E4
Select MODEL: M550 E4
Select MODEL: M550L E4
Select MODEL: 500 E2
Select MODEL: M550 E2
Select MODEL: M550L E2
Select MODEL: M565LT E4
Select MODEL: 570 PROMAX E5
Select MODEL: 570 PROMAX E5, 570 PROMAX E4
Select MODEL: M570L E4, M570L E5
Select MODEL: 400 2B IRS
Select MODEL: 400 E2
Select MODEL: 500 PROMAX E4
Select MODEL: M565LT T3b
Select MODEL: M750L T3b
Select MODEL: 500 T3b EFI
Select MODEL: LH40DA E4
Select MODEL: 500 T3b
Select MODEL: 420 PROMAX T3b
Select MODEL: 400 E4
Select MODEL: LH50DU E4
Select MODEL: T-BOSS 550 E4
Vezi mai mult Informatii conformitate produs
Daca doresti sa iti exprimi parerea despre acest produs poti adauga un review.

Review-ul a fost trimis cu succes.

Compara produse

Trebuie sa mai adaugi cel putin un produs pentru a compara produse.

A fost adaugat la favorite!

A fost sters din favorite!